| Availability: | |
|---|---|
| Quantity: | |
GB/T3037-94 Y Type
UNIVALVE
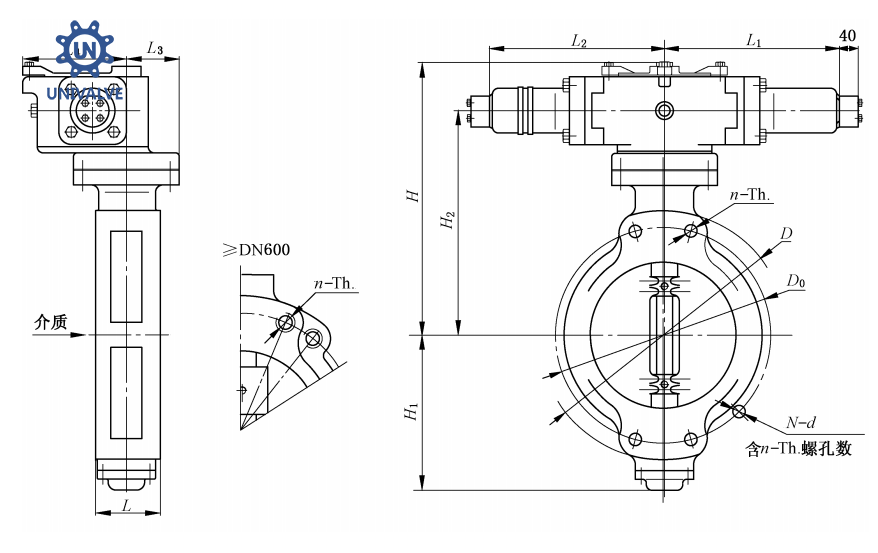
Marine Double Eccentric Hydraulic Actuator Butterfly Valve GB/T3037-94 Y Type


Presenting our mind boggling Twofold Unconventional Butterfly Valve, the ideal decision for all your marine water driven actuator needs! This valve, consistent with the GB/T3037-94 Y Type principles, is intended to upset your activities with its extraordinary elements and unrivaled execution.
Prepare to be stunned by the twofold unconventional plan of this butterfly valve. With its interesting development, it offers accuracy control and guarantees a tight seal, furnishing you with unmatched dependability and productivity. Express farewell to any stresses over spillage or strain misfortune - our valve has got you covered!
Outfitted with a cutting edge water driven actuator, this butterfly valve takes your tasks to an unheard of level. Experience the power and accuracy of this actuator as it easily controls the progression of liquids, considering smooth and consistent activity. Whether you're managing high-pressure frameworks or requesting marine conditions, our valve and actuator combo is ready to take on the situation!
Not in the least does our Twofold Offbeat Butterfly Valve succeed in execution, yet it additionally flaunts uncommon sturdiness. Created with the greatest materials, it is worked to endure the most extreme circumstances and give you durable unwavering quality. Have confidence that this valve will keep on conveying remarkable outcomes, even in the most requesting applications.
Anyway, why settle for anything less when you can have the best? Update your frameworks today with our Twofold Capricious Butterfly Valve and experience the fervor of upgraded control, dependability, and proficiency. Trust us, when you attempt this valve, you'll think about how you at any point oversaw without it. Try not to pass up this game-changing arrangement - get yours now and hoist your tasks higher than ever!
Marine Double Eccentric Hydraulic Actuator Butterfly Valve GB/T3037-94 Y Type


Presenting our mind boggling Twofold Unconventional Butterfly Valve, the ideal decision for all your marine water driven actuator needs! This valve, consistent with the GB/T3037-94 Y Type principles, is intended to upset your activities with its extraordinary elements and unrivaled execution.
Prepare to be stunned by the twofold unconventional plan of this butterfly valve. With its interesting development, it offers accuracy control and guarantees a tight seal, furnishing you with unmatched dependability and productivity. Express farewell to any stresses over spillage or strain misfortune - our valve has got you covered!
Outfitted with a cutting edge water driven actuator, this butterfly valve takes your tasks to an unheard of level. Experience the power and accuracy of this actuator as it easily controls the progression of liquids, considering smooth and consistent activity. Whether you're managing high-pressure frameworks or requesting marine conditions, our valve and actuator combo is ready to take on the situation!
Not in the least does our Twofold Offbeat Butterfly Valve succeed in execution, yet it additionally flaunts uncommon sturdiness. Created with the greatest materials, it is worked to endure the most extreme circumstances and give you durable unwavering quality. Have confidence that this valve will keep on conveying remarkable outcomes, even in the most requesting applications.
Anyway, why settle for anything less when you can have the best? Update your frameworks today with our Twofold Capricious Butterfly Valve and experience the fervor of upgraded control, dependability, and proficiency. Trust us, when you attempt this valve, you'll think about how you at any point oversaw without it. Try not to pass up this game-changing arrangement - get yours now and hoist your tasks higher than ever!